ТД «Мастер» Розничная продажа строительных и отделочных материалов, а также товаров хозяйственнго назначения 603095 Пермякова, д. 20 Россия, г. Нижний Новгород +79990796989

А в приложении выгоднее!

Внимание! Изображение товара может отличаться от реального.

Замок врезной Гарант ЗВ 4-3-01,медь

Описание товара

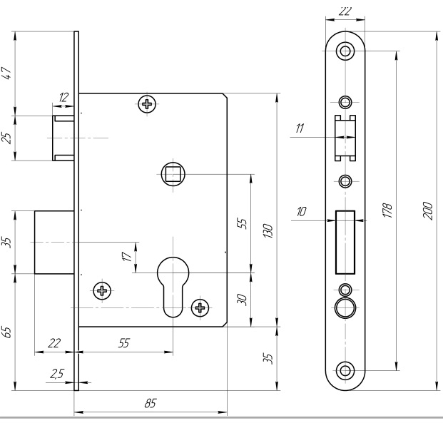
Замок врезной цилиндрового типа. Рекомендуемое применение — деревянные двери толщиной 40–50мм в квартирах и общественных зданиях. Допустима установка на более толстое полотно при условии смены цилиндрового механизма.

Защелка универсальная, приводимая в действие фалевой ручкой либо цилиндровым механизмом.

Врезная часть имеет антикоррозийное покрытие. Ручки покрыты термокраской, обеспечивающей защиту от влажности, солнца, других погодных факторов и предотвращающей выцветание.

По установочным размерам совпадает с замком врезным Зенит ЗВ4-3.01.

Характеристики
Артикул 47513
Ед. Измерения шт
Производитель Гарант
Цвет Медь
Количество ключей 4 шт
Удаление ключевого отверстия (Backset),мм 55
Межосевое расстояние ,мм 55
Тип двери деревянные
цилиндровый механизм,мм 70
Покрытие ручек термокраска
Тип механизма секретности цилиндровый
Толщина двери,мм 40-50
Количество ригелей 1
Форма ригеля прямоугольный
Вылет ригелей,мм 22
Защелка классическая
Материал корпуса сталь
Материал ручки алюминиевый сплав
От: 1'431
Цена и наличие на сайте и в магазине могут различаться. Пожалуйста, уточняйте стоимость и наличие товаров в конкретном магазине
 

Отзывы (0)